Atmos faelgázosító kazánok elhelyezése a kazánházban

A kazánok elhelyezésére csak az égéshez szükséges megfelelő mennyiségű levegőt biztosító kazánházban kerülhet sor a megfelelő védőtávolságok betartásával. A kazánokat tilos lakótérben telepíteni.
A kazántérbe áramló levegő-bevezetés keresztmetszetének 15-75 kW teljesítményű kazánok esetében minimum 250 cm2-nek kell lennie.

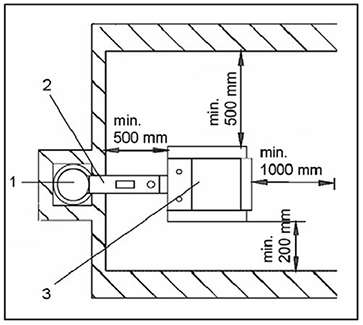
1. kémény, 2. füstcsatorna, 3. kazán
